Слабые места автомобиля
Заметили сбои в работе Ниссан Кашкай – ремонт и обслуживание необходимо провести незамедлительно, иначе незначительные неполадки со временем могут вырасти в более глобальную и масштабную поломку, и по финансам это будет в разы дороже. В хороший автосервис, как правило, набирают высококвалифицированных мастеров, которым по плечу провести достоверную диагностику и найти все недочёты. Пока цены на ремонт Nissan Qashqai небольшие (если неполадки связаны с простыми узлами и механизмами), лучше своевременно загнать свой авто на ремонт.
Специалисты знают слабые места Ниссан:
- Стандартный ремонт движка подразумевает промывку инжектора, прочистку форсунок. Редко бывают серьёзные поломки силового агрегата, в основном, они связаны с некачественным топливом. Поэтому заливать бензин или дизельный ресурс нужно на проверенных автозаправках.
- Сцепление начинает «напоминать» о себе только после второй сотни тысяч км, ранее можете даже не переживать по ремонту этого механизма.
- Протечки в патрубке радиатора.
- Надёжные и долговечные машины имеют ещё одно слабое место – подвеску, поэтому частенько ремонт Nissan Qashqai связан именно с этим узлом системы.
- Растяжение цепи ГРМ.
- Выход из строя рулевого управления – частая неисправность в этих автомобилях, спустя определённое время приходится менять рулевую рейку.
- Износ маслосъёмных колпачков и поршневых колец.
Зато вне всяких похвал – двигатели и тормозная система, если не забывать о техобслуживании и следить за качеством топлива, ведь стоимость ремонта Ниссан Кашкай значительно выше расценок на проведение диагностики. Также лестно высказываются автовладельцы о кузове этих японских машин, поскольку коррозийные процессы встретить на них практически невозможно (изъеденных коррозией автомобилей в новом кузове тяжело найти).
Ниссан Кашкай ТО 1 (15 тыс. км.)
Первое ТО Ниссан Кашкай должен пройти при достижении отметки в 15 тыс. км. Регламент предусматривает замену автомобильного масла, масляного фильтра и свечей зажигания (в том случае, если они обычные, не платиновые). Двухлитровый мотор требует заливки 4,4 л масла. В мотор объемом 1.6 и маркировкой HR16DE необходимо залить 4,3 л.
Оригинальная заводская смазка – Nissan Motor Oil 5W-40. Можно использовать литровую упаковку (номер в каталоге KE90090032R) и пятилитровую (KE90090042R). Если заливается масло от другого производителя, необходимо провести предварительный тест на совместимость, смешав старое и новое. В случае выпадения осадка заполнять систему смазки таким продуктом нельзя.
Параллельно при первом ТО меняется и фильтр (можно найти под номером 1520865F0C), а также ставится новая уплотнительная шайба (в каталоге 1102601M02). Последовательность действий при этом следующая:
- сливается отработанное масло;
- снимается старый фильтр и устанавливается новый;
- заливается новое масло.
Что касается проверок узлов авто, мастер должен обратить внимание на:
- уровень жидкости в редукторе заднего моста и раздаточной коробке;
- количество тормозной жидкости;
- уровень масла в коробке передач;
- состояние поликлинового ремня;
- систему охлаждения ДВС (жидкость, целостность шлангов и соединений);
- степень загрязненности воздушного фильтра;
- герметичность системы газоотведения;
- чехлы ШРУСа и наличие смазки;
- состояние ходовой и рулевой;
- степень износа колодок и тормозных дисков;
- АКБ;
- дренажные отверстия (при необходимости их прочищают);
- замки и петли (смазка при необходимости);
- фары (может потребоваться корректировка).
Проблемы при оплате банковскими картами
Иногда при оплате банковскими картами Visa / MasterCard могут возникать трудности. Самые распространенные из них:
- На карте стоит ограничение на оплату покупок в интернет
- Пластиковая карта не предназначена для совершения платежей в интернет.
- Пластиковая карта не активирована для совершения платежей в интернет.
- Недостаточно средств на пластиковой карте.
Для того что бы решить эти проблемы необходимо позвонить или написать в техническую поддержку банка в котором Вы обслуживаетесь. Специалисты банка помогут их решить и совершить оплату.
Вот, в принципе, и все. Весь процесс оплаты книги в формате PDF по ремонту автомобиля на нашем сайте занимает 1-2 минуты.
Если у Вас остались какие-либо вопросы, вы можете их задать, воспользовавшись формой обратной связи, или написать нам письмо на info@krutilvertel.com.
Оплата через PayPal
После выбора оплаты через PayPal запустится платежная система PayPal, где требуется выбрать способ оплаты банковская карта или аккаунт PayPal.
Если у Вас уже есть аккаунт PayPal, то Вам необходимо зайти в него и осуществить платеж.
Если у Вас нет аккаунта в PayPal, и Вы хотите оплатить с помощью банковской карты через PayPal, Вам необходимо нажать на кнопку «Create an Account (Создать аккаунт)» — на рисунке показано стрелочкой.
После чего PayPal предложит вам выбрать Вашу страну и указать данные кредитной карты.
После указания данных, необходимых для осуществления платежа, надо нажать на кнопку «Pay Now (Оплатить)».
1.0 РУКОВОДСТВО ПО ЭКСПЛУАТАЦИИ
РУКОВОДСТВО ПО ЭКСПЛУАТАЦИИ
1. ПРИБОРНАЯ ПАНЕЛЬ, ОРГАНЫ УПРАВЛЕНИЯ И ОСНАЩЕНИЕ САЛОНА2. ИЗМЕРИТЕЛЬНЫЕ ПРИБОРЫ И УКАЗАТЕЛИ3. СПИДОМЕТР4. ТАХОМЕТР5. УКАЗАТЕЛЬ УРОВНЯ ТОПЛИВА6. УКАЗАТЕЛЬ ТЕМПЕРАТУРЫ ОХЛАЖДАЮЩЕЙ ЖИДКОСТИ ДВИГАТЕЛЯ7. ЖИДКОКРИСТАЛЛИЧЕСКИЙ ДИСПЛЕЙ8. ОДОМЕТР/СЧЁТЧИК ПРОБЕГА НА ДВЕ ПОЕЗДКИ9. БОРТОВОЙ КОМПЬЮТЕР (если имеется) 10. DISTANCE ТО EMPTY (ЗАПАС ХОДА ПО ТОПЛИВУ)11. AVERAGE FUEL CONSUMPTION (СРЕДНИЙ РАСХОД ТОПЛИВА, Л/100 КМ)12. AVERAGE SPEED (СРЕДНЯЯ СКОРОСТЬ ДВИЖЕНИЯ АВТОМОБИЛЯ, КМ/Ч)13. JOURNEY TIME (ПРОДОЛЖИТЕЛЬНОСТЬ ПОЕЗДКИ)14. ИНФОРМАЦИЯ О МОТОРНОМ МАСЛЕ15. УСТАНОВКА ИНТЕРВАЛА ЗАМЕНЫ МОТОРНОГО МАСЛА16. УКАЗАТЕЛЬ ТЕМПЕРАТУРЫ НАРУЖНОГО ВОЗДУХА17. ЦИФРОВЫЕ ЧАСЫ (только модели без навигационной системы)18. ВЫБОР РЕЖИМА ИНДИКАЦИИ ВРЕМЕНИ19. КОРРЕКТИРОВКА ПОКАЗАНИЙ ЧАСОВ20. КОНТРОЛЬНЫЕ ЛАМПЫ, ИНДИКАТОРЫ, ЗВУКОВЫЕ ПРЕДУПРЕЖДАЮЩИЕ СИГНАЛЫ21. ПРОВЕРКА ИСПРАВНОСТИ КОНТРОЛЬНЫХ ЛАМП И ИНДИКАТОРОВ22. КОНТРОЛЬНЫЕ ЛАМПЫ23. ИНДИКАТОРЫ24. ЗВУКОВЫЕ ПРЕДУПРЕЖДАЮЩИЕ СИГНАЛЫ25. ОХРАННАЯ СИСТЕМА26. ВЫКЛЮЧАТЕЛЬ ОЧИСТИТЕЛЯ И ОМЫВАТЕЛЯ СТЕКОЛ27. ВЫКЛЮЧАТЕЛЬ ОБОГРЕВАТЕЛЯ ЗАДНЕГО СТЕКЛА28. ЦЕНТРАЛЬНЫЙ ПЕРЕКЛЮЧАТЕЛЬ СВЕТА ФАР И УКАЗАТЕЛЕЙ ПОВОРОТА КСЕНОНОВЫЕ ФАРЫ (если имеются) 29. ПЕРЕКЛЮЧАТЕЛЬ СВЕТА ФАР30. ВЫКЛЮЧАТЕЛИ ПРОТИВОТУМАННОГО СВЕТА31. КОРРЕКТОР НАКЛОНА ФАР (если имеется)32. ВЫКЛЮЧАТЕЛЬ АВАРИЙНОЙ СИГНАЛИЗАЦИИ33. ЗВУКОВОЙ СИГНАЛ КЛАКСОНА34. ВЫКЛЮЧАТЕЛИ ЭЛЕКТРИЧЕСКИХ ОБОГРЕВАТЕЛЕЙ СИДЕНИЙ (если имеются)35. ЭЛЕКТРИЧЕСКАЯ РОЗЕТКА36. РАЗМЕЩЕНИЕ БАГАЖА, ОДЕЖДЫ И МЕЛКИХ ВЕЩЕЙ37. ОКНА38. УПРАВЛЕНИЕ СОЛНЦЕЗАЩИТНОЙ ШТОРКОЙ39. ОСВЕЩЕНИЕ САЛОНА40. СИДЕНЬЯ, РЕМНИ И ПОДУШКИ БЕЗОПАСНОСТИ41. ПОДГОТОВКА К НАЧАЛУ ДВИЖЕНИЯ42. ВСТРОЕННЫЙ ПУЛЬТ ДИСТАНЦИОННОГО УПРАВЛЕНИЯ ЦЕНТРАЛЬНЫМ ЗАМКОМ43. ЗАМКИ ДВЕРЕЙ44. ДВЕРКА ЗАЛИВНОЙ ГОРЛОВИНЫ ТОПЛИВНОГО БАКА45. РЫЧАГ СТОЯНОЧНОГО ТОРМОЗА46. РЕГУЛИРОВКА ПОЛОЖЕНИЯ РУЛЕВОГО КОЛЕСА47. СОЛНЦЕЗАЩИТНЫЕ КОЗЫРЬКИ48. ПОЛКА БАГАЖНОГО ОТДЕЛЕНИЯ49. ЗЕРКАЛА ЗАДНЕГО ОБЗОРА50. ИНФОРМАЦИОННЫЙ ДИСПЛЕЙ, СИСТЕМА ОТОПЛЕНИЯ И КОНДИЦИОНИРОВАНИЯ ВОЗДУХА, АУДИОСИСТЕМА51. МОНИТОР КАМЕРЫ ЗАДНЕГО ОБЗОРА (если имеется)52. ВЕНТИЛЯЦИОННЫЕ РЕШЕТКИ53. СИСТЕМА ОТОПЛЕНИЯ, ВЕНТИЛЯЦИИ И КОНДИЦИОНИРОВАНИЯ ВОЗДУХА 54. АУДИОСИСТЕМА55. АНТЕННА56. ВСЕВОЛНОВЫЙ LW-MW-FM-РАДИОПРИЕМНИК С ПРОИГРЫВАТЕЛЕМ КОМПАКТ-ДИСКОВ (если имеется)57. СИСТЕМА ЗАЩИТЫ ОТ КРАЖИ58. ВКЛЮЧЕНИЕ/ ВЫКЛЮЧЕНИЕ ЭЛЕКТРОПИТАНИЯ АУДИОСИСТЕМЫ59. УПРАВЛЕНИЕ РАДИОПРИЕМНИКОМ60. УПРАВЛЕНИЕ ПРОИГРЫВАТЕЛЕМ КОМПАКТ-ДИСКОВ61. ПОДКЛЮЧЕНИЕ МОБИЛЬНОГО ТЕЛЕФОНА BLUETOOTH62. ВСЕВОЛНОВЫЙ LW-MW-FM-РАДИО-ПРИЕМНИК С CD-ЧЕЙНДЖЕРОМ НА 6 КОМПАКТ-ДИСКОВ (если имеется)63. ПОДКЛЮЧЕНИЕ МОБИЛЬНОГО ТЕЛЕФОНА BLUETOOTH64. ВСЕВОЛНОВЫЙ AM-FM РАДИОПРИЕМНИК С CD-ЧЕЙНДЖЕРОМ НА б КОМПАКТ-ДИСКОВ (если имеется)65. CD-ЧЕЙНДЖЕР66. ПОДКЛЮЧЕНИЕ МОБИЛЬНОГО ТЕЛЕФОНА BLUETOOTH67. ПОДКЛЮЧЕНИЕ МОБИЛЬНОГО ТЕЛЕФОНА (если имеется)68. ОРГАНЫ УПРАВЛЕНИЯ, УСТАНОВЛЕННЫЕ НА РУЛЕВОМ КОЛЕСЕ (если имеются)69. ОРГАНЫ УПРАВЛЕНИЯ АУДИОСИСТЕМОЙ, РАСПОЛОЖЕННЫЕ НА РУЛЕВОМ КОЛЕСЕ (если имеются)70. ЗАУСК ДВИГАТЕЛЯ И ВОЖДЕНИЕ АВТОМОБИЛЯ71. ВОЖДЕНИЕ АВТОМОБИЛЯ72. ПАРКОВОЧНЫЕ УЛЬТРАЗВУКОВЫЕ ДАТЧИКИ (если имеются)73. СИСТЕМА ПОЛНОГО ПРИВОДА (4WD) (если имеется)74. УПРАВЛЕНИЕ РЕЖИМАМИ СИСТЕМЫ 4WD75. СИСТЕМА КРУИЗ-КОНТРОЛЯ (если имеется)76. УСИЛИТЕЛЬ РУЛЕВОГО УПРАВЛЕНИЯ77. ТОРМОЗНАЯ СИСТЕМА78. ЭЛЕКТРОННАЯ СИСТЕМА ДИНАМИЧЕСКОЙ СТАБИЛИЗАЦИИ (ESP) (если имеется)79. В СЛУЧАЕ НЕИСПРАВНОСТИ80. ТЕХНИЧЕСКОЕ ОБСЛУЖИВАНИЕ И ОПЕРАЦИИ, ВЫПОЛНЯЕМЫЕ САМОСТОЯТЕЛЬНО81. СИСТЕМА ОХЛАЖДЕНИЯ ДВИГАТЕЛЯ82. МОТОРНОЕ МАСЛО83. ЗАМЕНА МАСЛЯНОГО ФИЛЬТРА. ДВИГАТЕЛЬ HR16DE, MR20DE ИЛИ К9К84. ЗАМЕНА МАСЛЯНОГО ФИЛЬТРА. ДВИГАТЕЛЬ M9R85. ТОПЛИВНЫЙ ФИЛЬТР (МОДЕЛИ с ДИЗЕЛЬНЫМ ДВИГАТЕЛЕМ)86. РАБОЧАЯ ЖИДКОСТЬ АВТОМАТИЧЕСКОЙ КОРОБКИ ПЕРЕДАЧ (ATF)87. РАБОЧАЯ ЖИДКОСТЬ БЕСТУПЕНЧАТОГО ВАРИАТОРА (CVT)88. ТОРМОЗНАЯ СИСТЕМА89. ТОРМОЗНАЯ ЖИДКОСТЬ И РАБОЧАЯ ЖИДКОСТЬ ГИДРОПРИВОДА СЦЕПЛЕНИЯ90. ПОВТОРНАЯ ИНИЦИАЛИЗАЦИЯ СИСТЕМ ПОСЛЕ ОТСОЕДИНЕНИЯ АККУМУЛЯТОРНОЙ БАТАРЕИ91. ПРИВОДНЫЕ РЕМНИ92. ЗАМЕНА СВЕЧЕЙ ЗАЖИГАНИЯ (МОДЕЛИ С БЕНЗИНОВЫМИ ДВИГАТЕЛЯМИ)93. ФИЛЬТРУЮЩИЙ ЭЛЕМЕНТ ИЗ ВИСКОЗНОГО КАРТОНА94. СУХОЙ БУМАЖНЫЙ ФИЛЬТРУЮЩИЙ ЭЛЕМЕНТ (если имеется)95. ЩЕТКИ СТЕКЛООЧИСТИТЕЛЯ96. ПЛАВКИЕ ЭЛЕКТРИЧЕСКИЕ ПРЕДОХРАНИТЕЛИ97. ЛАМПЫ ПРИБОРОВ ОСВЕЩЕНИЯ И СИГНАЛИЗАЦИИ98. ФАРЫ99. ТЕХНИЧЕСКАЯ ИНФОРМАЦИЯ100. РЕКОМЕНДУЕМОЕ ТОПЛИВО101. РЕКОМЕНДАЦИИ ПО ВЫБОРУ ВЯЗКОСТИ МОТОРНОГО И ТРАНСМИССИОННОГО МАСЛА102. ТЕХНИЧЕСКИЕ ХАРАКТЕРИСТИКИ ДВИГАТЕЛЕЙ103. КОЛЕСА И ШИНЫ104. РАЗМЕРЫ АВТОМОБИЛЯ105. ИДЕНТИФИКАЦИОННЫЕ ДАННЫЕ АВТОМОБИЛЯ
Скачивание книги
После успешного прохождения платежа (любым способом) и возврата в магазин KrutilVertel с сайта платежной системы Вы попадаете на страницу успешной оплаты:
Купленная Вами книга будет находиться в Вашем личном кабинете, откуда ее всегда можно будет скачать.
Обратите внимание, что после совершения оплаты, Вам необходимо вернуться обратно с сайта платежной системы на сайт KrutilVertel. В случае, если по каким либо причинам Вы не вернулись обратно на сайт и закрыли вкладку платежной системы с сообщением про успешное прохождение платежа, сообщите нам об этом — мы вышлем Вам письмо в котором будет указан доступ для скачивания книги
В случае, если по каким либо причинам Вы не вернулись обратно на сайт и закрыли вкладку платежной системы с сообщением про успешное прохождение платежа, сообщите нам об этом — мы вышлем Вам письмо в котором будет указан доступ для скачивания книги.
Шестое техническое обслуживание (90 тыс. км)
ТО 90000 Кашкай – основательная ревизия рабочих узлов кроссовера, поскольку на этом этапе, согласно регламенту, необходимо повторить все шаги первых трех обслуживаний. Если эксплуатируемый автомобиль оснащен механической коробкой передач, то при указанном пробеге надлежит заменить трансмиссионное масло.
Объем КПП с пятью ступенями равен 2,3 л, шестиступенчатая коробка потребует 2 л. Производитель кроссоверов Кашкай рекомендует использовать оригинальную трансмиссионную смазку Nissan с вязкостью 75W80. В каталоге литровая упаковка имеет артикул KE91699932R.
Обслуживание Кашкай подразумевает слив старой охлаждающей жидкости и заполнение системы новым антифризом. Объем, включая расширительный бачок, равен 8,1 л. Концерн использует фирменный антифриз зеленого цвета Nissan L248 Coolant Premix. Пятилитровая канистра ищется по артикулу KE90299945. Литровая тара для доливки антифриза продается под каталожным номером KE90299935. Следующую замену производят, когда счетчик дойдет до отметки в 150000.
Цепь газораспределительного механизма Кашкай – еще один узел, который нуждается в замене во время шестого ТО. Для этого потребуются:
- сама цепь;
- направляющая (успокоитель);
- ролик-натяжитель.
В зависимости от объемов ДВС используются следующие комплекты:
1,6-литровый мотор – цепь (130281KC0A), успокоитель (130911HC0A), натяжитель (130701KT0A);2,0-литровый мотор – цепь (13028CK80A), успокоитель (13091EN200), натяжитель (13070EN20A).Цепь для автомобиля Ниссан Кашкай в кузове J10 (первое поколение) нуждается в замене раньше, чем у других авто. Растянувшаяся деталь ухудшает работу ГРМ, а обрыв чреват дорогим ремонтом мотора.
Техническое обслуживание автомобиля
Каталог необходимых для проведения технического обслуживания расходных запасных частей приведен в главе 3b настоящего руководства.
Капот
Открывание капота
Потяните на себя за рукоятку (1) отпирания замка капота, которая находится в левой нижней части панели управления. При этом передний край капота немного приподнимется.
- Сдвиньте вбок пальцами рычаг (2) предохранительной защелки, который находится под передней кромкой капота, и поднимите капот.
- Вставьте конец поддерживающей стойки (3) в гнездо, имеющееся на внутренней стороне капота.
- Перед тем как закрыть капот, уложите на место поддерживающую стойку. Затем медленно закройте капот и убедитесь в том, что он надежно заперт.
Внимание
- Во избежание открывания капота при движении автомобиля необходимо всегда проверять надежность запирания замка капота.
- Запрещается движение автомобиля с незакрытым капотом.
Организация технического обслуживания автомобиля
- Ваш новый автомобиль Nissan сконструирован так, чтобы свести к минимуму объем работ по техническому обслуживанию и максимально увеличить возможный пробег автомобиля между очередными обслуживаниями.
- Это экономит время и снижает затраты владельца, связанные с эксплуатацией автомобиля. Тем не менее ежедневный осмотр и регулярное техническое обслуживание помогут сохранить хорошее техническое состояние вашего автомобиля Nissan, а также технические и экологические характеристики двигателя.
- Ответственность за проведение в полном объеме контрольных осмотров и периодического технического обслуживания возложена на владельца автомобиля. Вы как владелец несете полную ответственность за обеспечение нормального технического обслуживания автомобиля.
Регламент технического обслуживания
- Для большего удобства все операции периодического технического обслуживания приведены в гарантийной книжке.
- Нужно пользоваться этой книжкой, для того чтобы не пропустить сроки посещения сервисной станции официального дилера компании Nissan для выполнения периодического технического обслуживания автомобиля.
Другие книги по ремонту и обслуживанию автомобилей Nissan:
Компания Автоинформ
Ваше Имя:*
Введите код, указанный на картинке:*
Nissan Qashqai, Qashqai+2. Электросхемы — часть 9

Схема 29. Стеклоочиститель окна двери задка: 1 — аккумуляторная батарея; 2 — замок зажигания; 3,4,5, б, 7,8 — предохранители; 9 — монтажный блок предохранителей в моторном отсеке; 10 — процессор монтажного блока; 11 — разъем для передачи данных; 12 — блок управления электрооборудованием кузова; 13 — подрулевой переключатель наружного освещения; 14 — селектор выбора передач (вариатор); 15 — выключатель положения парковка-нейтраль; 16 — выключатель фонарей света заднего хода; 17 — моторедуктор стеклоочистителя окна двери задка; 18 — насос омывателя окна двери задка

Схема 30. Система управления обогревом стекла двери задка: 1 — замок зажигания; 2 — аккумуляторная батарея; 3,4,5, 6, 7,12 — предохранители; 8- монтажный блок предохранителей в моторном отсеке; 9 — реле обогревателя заднего стекла; 10 — процессор монтажного блока; 11 — блок управления электрооборудованием кузова; 13 — разъем для передачи данных; 14 — обогреватель наружного зеркала заднего вида со стороны водителя; 15 — обогреватель наружного зеркала заднего вида со стороны пассажира; 16 — обогреватель окна двери задка; 17 — автоматический регулятор обогрева окна двери задка; 18 — панель управления отопителем
Схема 31. Звуковая сигнализация: 1 — замок зажигания; 2 — аккумуляторная батарея; 3 — предохранитель; 4 — монтажный блок предохранителей, расположенный в моторном отсеке; 5 — процессор монтажного блока; 6 — реле обогревателя заднего стекла; 7 — блок держателя подрулевых переключателей и токоведущей шины; 8 — выключатель звукового сигнала; 9 — звуковой сигнал

Схема 32. Аудиосистема (без навигационной системы): 1 — аккумуляторная батарея; 2 — замок зажигания; 3,4, 5, б, 7 — предохранители; 8 — блок управления аудиосистемой на рулевом колесе; 9 — монтажный блок предохранителей, расположенный в моторном отсеке; 10 — комбинация приборов; 11 — блок держателя подрулевых переключателей и токоведущей шины; 12 — микрофон системы hands free; 13 — антенна на крыше; 14 — головное устройство аудиосистемы; 15 — динамик в левой передней двери; 16 — левый высокочастотный динамик; 17 — динамик в правой передней двери; 18 — правый высокочастотный динамик;19 — динамик в левой задней двери; 20 — динамик в правой задней двери
Видео по теме «Nissan Qashqai, Qashqai+2. Электросхемы — часть 9»
Угон Ниссан Кашкай
Слабые места (болячки) Nissan Qashqai (опыт РДМ-Импорт)
Ниссан кашкай (qashqai) ремонт вентилятора , замена реле вентилятора , не работает вентилятор
Nissan Qashqai, Qashqai+2. Электросхемы — часть 3

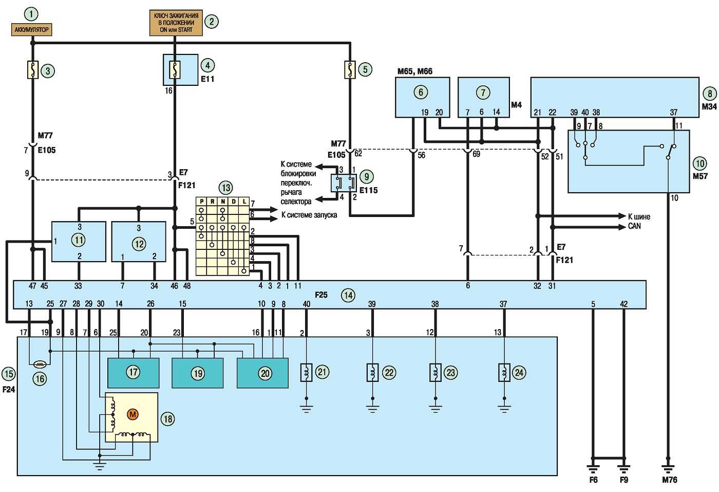
Схема 3. Система управления трансмиссией с вариатором CVT: 1 — аккумуляторная батарея; 2 — замок зажигания; 3,4, 5 — предохранители; 6 — блок управления электрооборудованием кузова; 7 — разъем для передачи данных; 8 — сигнализатор комбинации приборов; 9 — выключатель фонарей стоп-сигнала; 10 — селектор выбора передач; 11 — датчик оборотов ведущего шкива; 12 — датчик оборотов ведомого шкива; 13 — выключатель положения нейтраль-парковка; 14- электронный блок управления двигателем; 15 — блок вариатора; 16 — датчик температуры рабочей жидкости вариатора; 17 — датчик давления на ведущем шкиве; 18 — шаговый двигатель; 19 — датчик давления на ведомом шкиве; 20 — ПЗУ в сборе; 21 — электроклапан давления основной магистрали; 22 — электроклапан давления, подводимого к ведомому шкиву; 23 — электроклапан муфты гидротрансформатора; 24 — электроклапан выбора блокировки
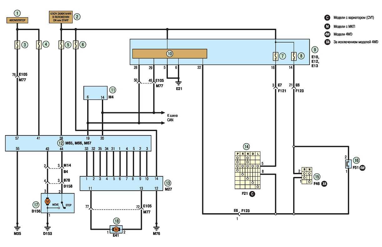
Схема 4. Система управления полным приводом: 1 — аккумуляторная батарея; 2 — замок зажигания; 3, 4 — предохранители; 5 — соленоид; 6 — блок управления полным приводом; 7 — сигнализаторы комбинации приборов; 8 — переключатель режимов работы трансмиссии; 9 — гидроэлектронный блок ABS; 10 — блокуправления

Схема 5. Антиблокировочная система тормозов ABS (без системы ESP): 1 — аккумуляторная батарея; 2 — замок зажигания; 3, 4, 5, б — предохранители; 7 — выключатель фонарей стоп-сигналов; 8 — датчик отклонения от заданного курса; 9 — гидроэлектронный блок ABS; 10 — сигнализаторы комбинации панели приборов; И, 12,13,14 — датчики частоты вращения колес; 15 — разъем для передачи данных; 16 — выключатель сигнализатора недостаточного уровня тормозной жидкости; 17 — выключатель сигнализатора включения стояночного тормоза

Схема 6. Антиблокировочная система тормозов ABS (с системой ESP): 1 — аккумуляторная батарея; 2 — замок зажигания; 3,4,5, б — предохранители; 7 — выключатель фонарей стоп-сигналов; 8 — датчик отклонения от заданного курса; 9 — датчик угла поворота рулевого колеса; 10 — гидроэлектронный блок ABS; И — сигнализаторы комбинации панели приборов; 12,13,14,15 — датчики частоты вращения колес; 16 — разъем для передачи данных; 17 — клавиша отключения ESP; 18 — выключатель сигнализатора недостаточного уровня тормозной жидкости; 19 — выключатель сигнализатора включения стояночного тормоза
Схема 7. Блок электроусилителя рулевого управления: 1 — аккумуляторная батарея; 2 — замок зажигания; 3, 4 — предохранители; 5 — сигнализаторы комбинации приборов; 6 — электронный блок управления; 7 — гидроэлектронный блок ABS; 8 — разъем для передачи данных; 9 — блок управления электроусилителем; 10 — процессор; И — электродвигатель усилителя; 12 — датчик крутящего момента
Видео по теме «Nissan Qashqai, Qashqai+2. Электросхемы — часть 3»
Угон Ниссан Кашкай
Ниссан Кашкай Ремонт двигателя MR20DE часть1
https://youtube.com/watch?v=LpkwlcxFEOU
РЕМОНТ ВАРИАТОРА НА NISSAN QASHQAI, ЗАМЕНА ФРИКЦИОНОВ И МАСЛЕНОГО НАСОСА
Оплата через PayPal
После выбора оплаты через PayPal запустится платежная система PayPal, где требуется выбрать способ оплаты банковская карта или аккаунт PayPal.
Если у Вас уже есть аккаунт PayPal, то Вам необходимо зайти в него и осуществить платеж.
Если у Вас нет аккаунта в PayPal, и Вы хотите оплатить с помощью банковской карты через PayPal, Вам необходимо нажать на кнопку «Create an Account (Создать аккаунт)» — на рисунке показано стрелочкой.
После чего PayPal предложит вам выбрать Вашу страну и указать данные кредитной карты.
После указания данных, необходимых для осуществления платежа, надо нажать на кнопку «Pay Now (Оплатить)».
Nissan Qashqai, Qashqai+2. Электросхемы — часть 9

Схема 29. Стеклоочиститель окна двери задка: 1 — аккумуляторная батарея; 2 — замок зажигания; 3,4,5, б, 7,8 — предохранители; 9 — монтажный блок предохранителей в моторном отсеке; 10 — процессор монтажного блока; 11 — разъем для передачи данных; 12 — блок управления электрооборудованием кузова; 13 — подрулевой переключатель наружного освещения; 14 — селектор выбора передач (вариатор); 15 — выключатель положения парковка-нейтраль; 16 — выключатель фонарей света заднего хода; 17 — моторедуктор стеклоочистителя окна двери задка; 18 — насос омывателя окна двери задка

Схема 30. Система управления обогревом стекла двери задка: 1 — замок зажигания; 2 — аккумуляторная батарея; 3,4,5, 6, 7,12 — предохранители; 8- монтажный блок предохранителей в моторном отсеке; 9 — реле обогревателя заднего стекла; 10 — процессор монтажного блока; 11 — блок управления электрооборудованием кузова; 13 — разъем для передачи данных; 14 — обогреватель наружного зеркала заднего вида со стороны водителя; 15 — обогреватель наружного зеркала заднего вида со стороны пассажира; 16 — обогреватель окна двери задка; 17 — автоматический регулятор обогрева окна двери задка; 18 — панель управления отопителем
Схема 31. Звуковая сигнализация: 1 — замок зажигания; 2 — аккумуляторная батарея; 3 — предохранитель; 4 — монтажный блок предохранителей, расположенный в моторном отсеке; 5 — процессор монтажного блока; 6 — реле обогревателя заднего стекла; 7 — блок держателя подрулевых переключателей и токоведущей шины; 8 — выключатель звукового сигнала; 9 — звуковой сигнал

Схема 32. Аудиосистема (без навигационной системы): 1 — аккумуляторная батарея; 2 — замок зажигания; 3,4, 5, б, 7 — предохранители; 8 — блок управления аудиосистемой на рулевом колесе; 9 — монтажный блок предохранителей, расположенный в моторном отсеке; 10 — комбинация приборов; 11 — блок держателя подрулевых переключателей и токоведущей шины; 12 — микрофон системы hands free; 13 — антенна на крыше; 14 — головное устройство аудиосистемы; 15 — динамик в левой передней двери; 16 — левый высокочастотный динамик; 17 — динамик в правой передней двери; 18 — правый высокочастотный динамик;19 — динамик в левой задней двери; 20 — динамик в правой задней двери
Видео по теме «Nissan Qashqai, Qashqai+2. Электросхемы — часть 9»
Угон Ниссан Кашкай
Слабые места (болячки) Nissan Qashqai (опыт РДМ-Импорт)
Ниссан кашкай (qashqai) ремонт вентилятора , замена реле вентилятора , не работает вентилятор
Nissan Qashqai: Руководство по ремонту и обслуживанию (J11) Скачать
- Разместил: klays067;
- Прочитано: 16 450;
- Дата: 30-11-2016, 16:52;
Описание: Инструкции по ремонту и тех обслуживанию Nissan Qashqai — J11 содержится подробное и полное описание ремонта и диагностики всех агрегатов автомобиля Ниссан Qashqai кузов J11, включая кузовные размеры для вытяжки кузова, подробный ремонт АКПП и МКП, подробные электрические схемы, моменты затяжек, процесс сборки и разборки двигателя и других агрегатов и узлов, ремонт сцепления, рулевого управление, кондиционера, всех электрических устройств и блоков управления, необходимый специальный инструмент, а так же другая информация.
Доп. информация: Информация представлена в виде файлов PDF с удобной и понятной навигацией, но на английском языке.
Источник
Скачивание книги
После успешного прохождения платежа (любым способом) и возврата в магазин KrutilVertel с сайта платежной системы Вы попадаете на страницу успешной оплаты:
Купленная Вами книга будет находиться в Вашем личном кабинете, откуда ее всегда можно будет скачать.
Обратите внимание, что после совершения оплаты, Вам необходимо вернуться обратно с сайта платежной системы на сайт KrutilVertel. В случае, если по каким либо причинам Вы не вернулись обратно на сайт и закрыли вкладку платежной системы с сообщением про успешное прохождение платежа, сообщите нам об этом — мы вышлем Вам письмо в котором будет указан доступ для скачивания книги
В случае, если по каким либо причинам Вы не вернулись обратно на сайт и закрыли вкладку платежной системы с сообщением про успешное прохождение платежа, сообщите нам об этом — мы вышлем Вам письмо в котором будет указан доступ для скачивания книги.
Проблемы при оплате банковскими картами
Иногда при оплате банковскими картами Visa / MasterCard могут возникать трудности. Самые распространенные из них:
- На карте стоит ограничение на оплату покупок в интернет
- Пластиковая карта не предназначена для совершения платежей в интернет.
- Пластиковая карта не активирована для совершения платежей в интернет.
- Недостаточно средств на пластиковой карте.
Для того что бы решить эти проблемы необходимо позвонить или написать в техническую поддержку банка в котором Вы обслуживаетесь. Специалисты банка помогут их решить и совершить оплату.
Вот, в принципе, и все. Весь процесс оплаты книги в формате PDF по ремонту автомобиля на нашем сайте занимает 1-2 минуты.
Если у Вас остались какие-либо вопросы, вы можете их задать, воспользовавшись формой обратной связи, или написать нам письмо на info@krutilvertel.com.
2. Методы ремонта электросистем автомобиля
Проверка напряжения
1. Обеспечить условия, при которых напряжение присутствует в контрольных точках.
Пример:
(А) – замок зажигания включен.
(В) – замок зажигания и выключатель SW1 включены.
(С) — замок зажигания, выключатель SW1 и реле включены (выключатель SW2 выключен).
2. Используя вольтметр, подсоединить отрицательный провод к точке «массы» или отрицательной клемме аккумулятора, а положительный провод к разъему или выводу компонента.
Примечание Вместо вольтметра можно использовать контрольную лампу.
Проверка непрерывности цепи и сопротивления
1. Отсоединить клемму аккумулятора или провод, чтобы убрать напряжение между точками проверки.
2. Подсоединить два провода омметра к проверяемым точкам цепи.
Если в проверяемой цепи присутствуют диоды, поменять провода омметра местами и повторить проверку.
При подсоединении отрицательного провода к положительной стороне диода, а положительного провода к отрицательной стороне цепь должна быть замкнута, если наоборот – разомкнута.
3. Для проверки цепи использовать вольт/омметр с высоким импедансом (не менее 10 кОм/В).


