Реле монтажного блока в моторном отсеке
| Обоз | Наименование | Потребители |
| К1 | Реле большой скорости вентилятора системы охлаждения (для автомобиля с кондиционером) | Электродвигатель вентилятора системы охлаждения |
| К2 | Реле кондиционера | Электромагнитная муфта компрессора кондиционера |
| К3 | Реле малой скорости вентилятора системы охлаждения (для автомобиля с кондиционером) или реле вентилятора системы охлаждения (на автомобиле без кондиционера) | Электродвигатель вентилятора системы охлаждения (для автомобиля с кондиционером – через резистор) |
| К4 | Реле топливного насоса и катушки зажигания | Топливный насос и катушка зажигания |
| К5 | Главное реле системы управления двигателем | Датчики концентрации кислорода (цепь подогрева); датчик скорости; топливные форсунки; электромагнитный клапан продувки адсорбера; обмотки реле К1, К3, К2; ЭБУ системы управления двигателем |
| К6 | Не используется | |
| К7 | Реле противотуманных фар | Лампы противотуманных фар |
| К8 | Реле вентилятора отопителя | Электродвигатель вентилятора отопителя |
Для того чтобы заменить предохранители или реле нужно отсоединить минусовую клемму от аккумулятора.
Для доступа к предохранителям и реле в моторном отсеке отжимаем три фиксатора
Снимаем крышку монтажного блока
Неисправный предохранитель определяем по перегоревшей перемычке визуально или с помощью тестера.
Для извлечения предохранителей можно воспользоваться пинцетом, который находится на крышке блока салона (рис. 3).
Новый предохранитель или реле нужно устанавливать только после того как нашли причину его срабатывания.
Нужно определить, почему возникла перегрузка в данной цепи.
Где находятся предохранители Лада Ларгус?
Предохранители Лада Ларгус находятся как в салоне, так и под капотом автомобиля. Салонный блок предохранителей находится в торце передней панели слева от водителя. Монтажный блок расположен под декоративной пластиковой крышкой, которая скрывает предохранители Лада Ларгус от посторонних глаз. Здесь расположена большая часть предохранителей, отвечающих за основное электрооборудование автомобиля.
У Ларгуса есть и второй блок предохранителей, который расположен под капотом автомобиля рядом аккумулятором и воздушным фильтром. В нем размещены силовые предохранители на кондиционер, вентилятор, ABS и т.д.
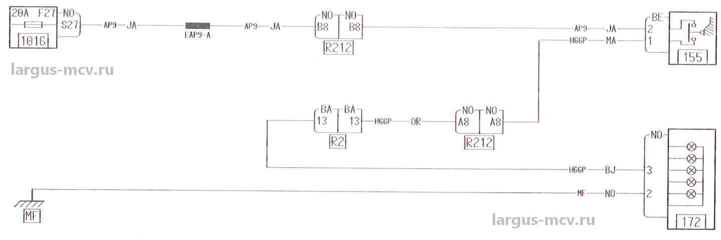
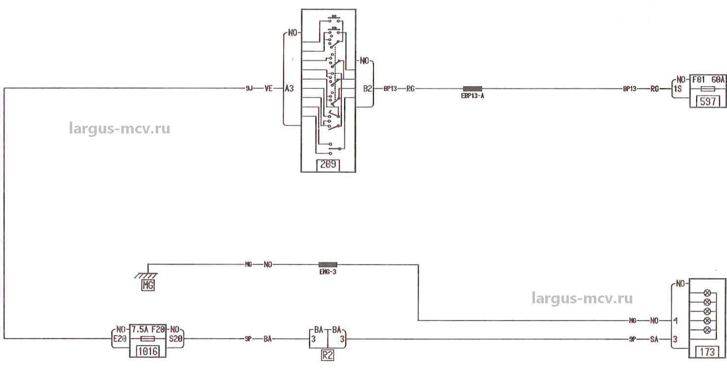
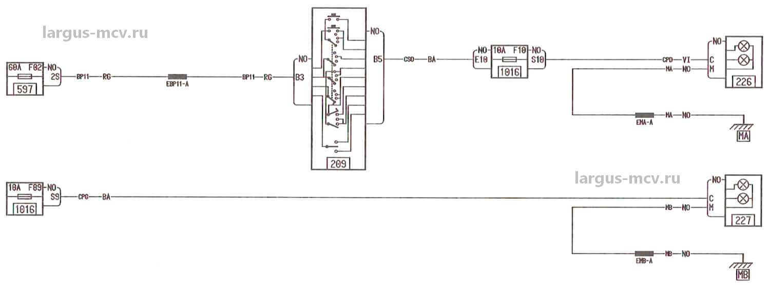
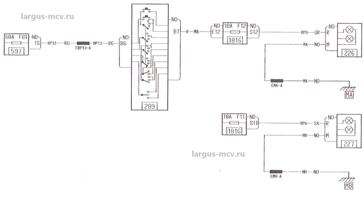
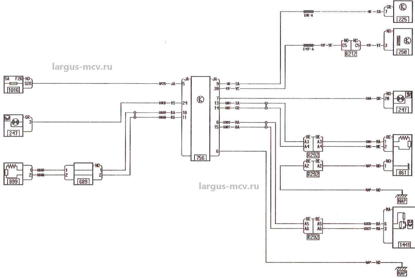
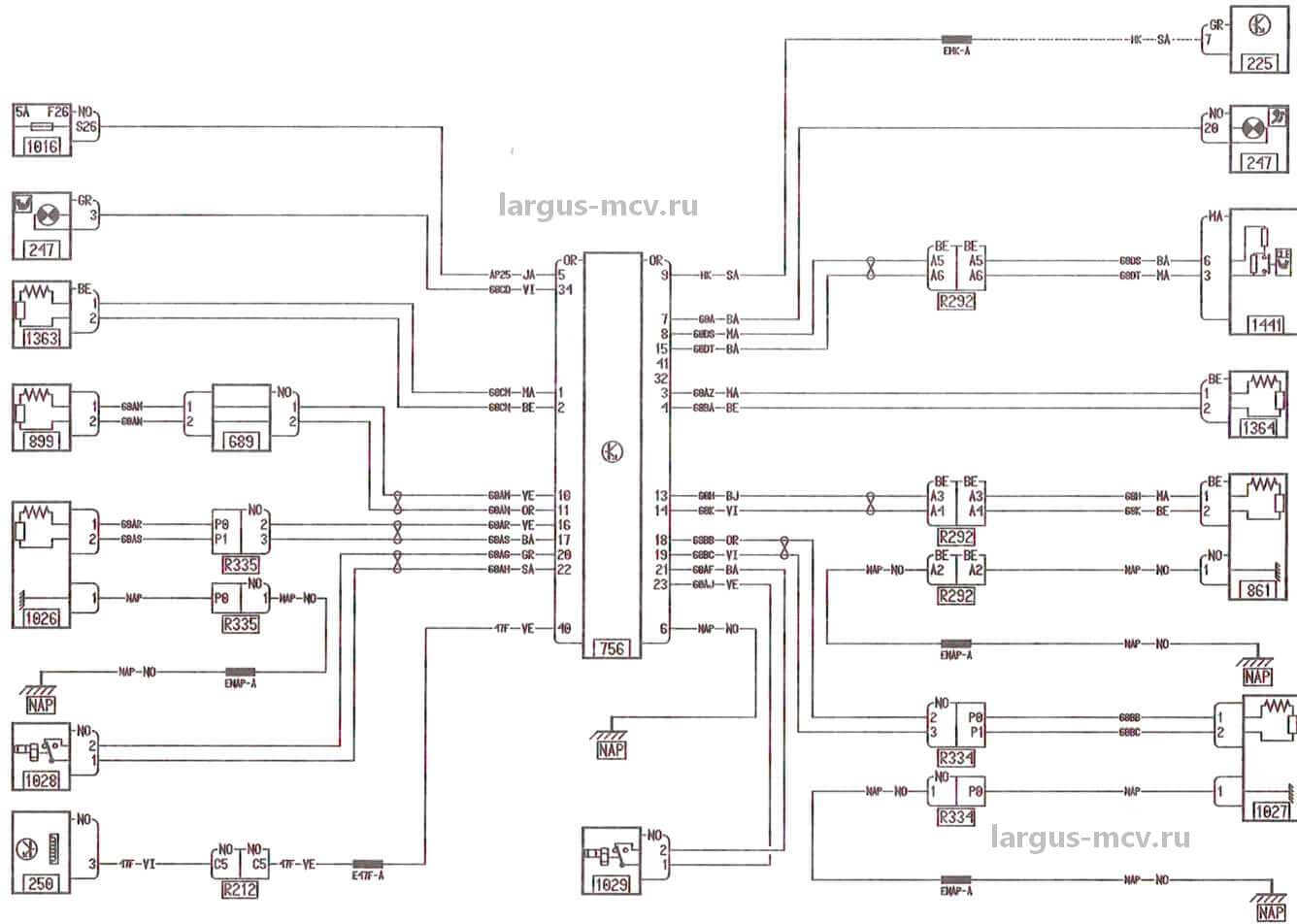
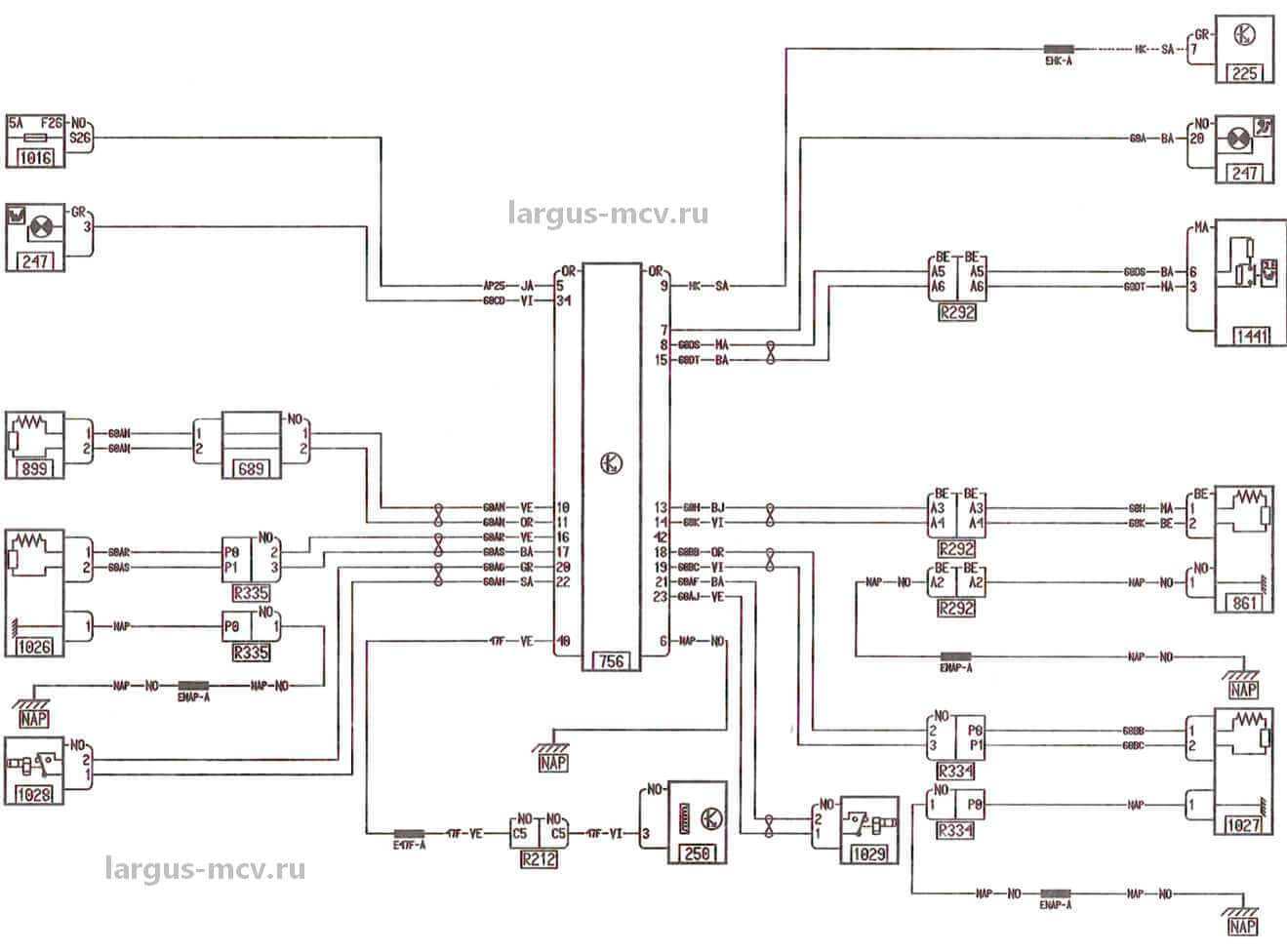
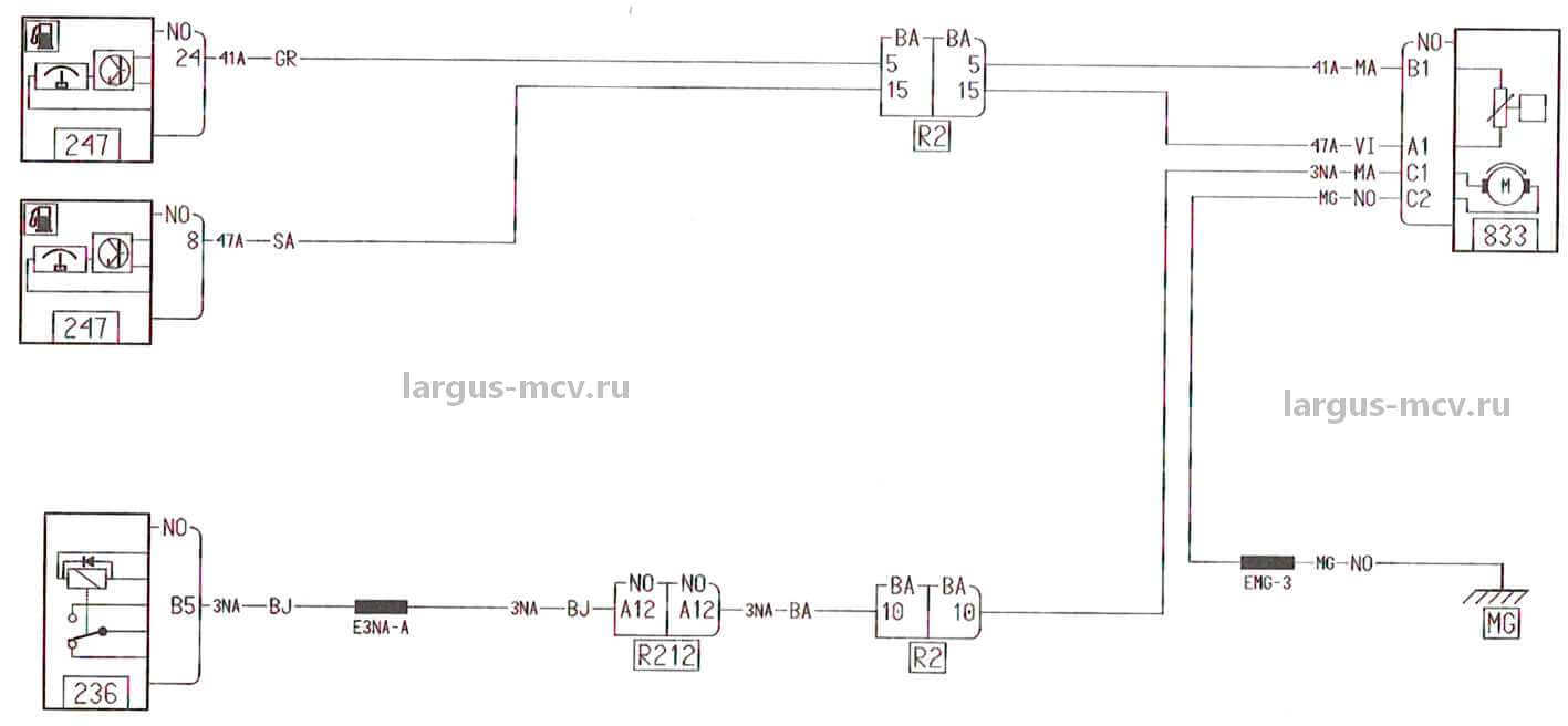
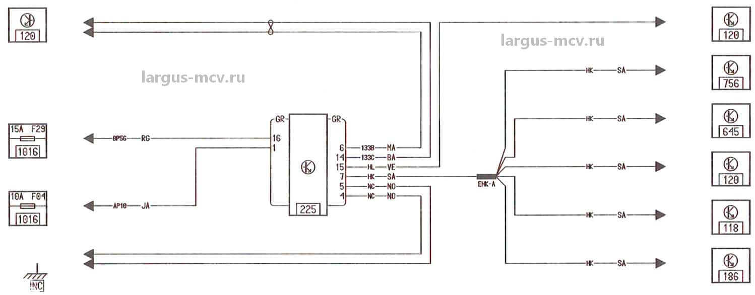
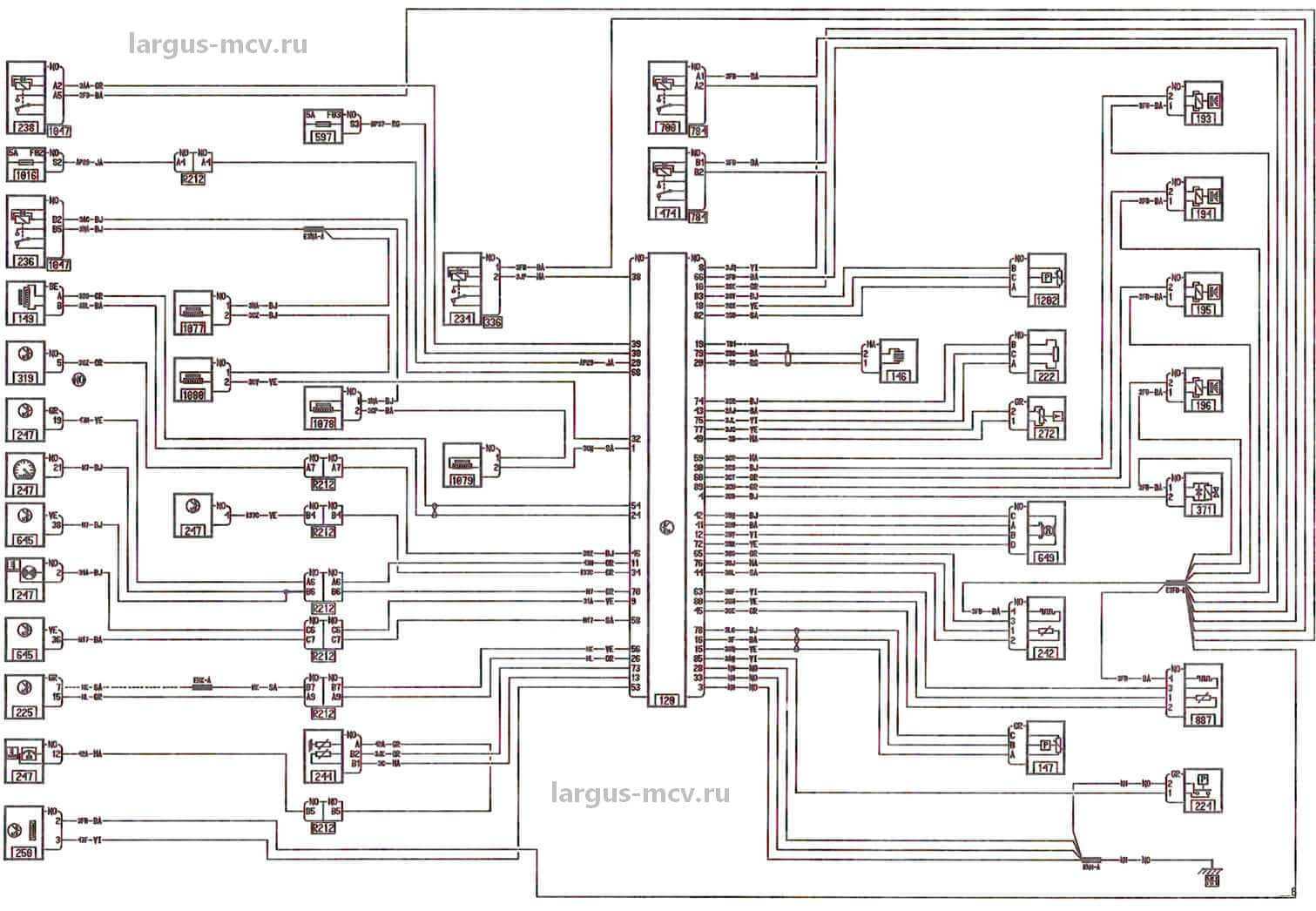
Все электрические схемы автомобиля Lada Largus
Ниже приведены все электросхемы автомобиля. Данная ч/б подборка наиболее полная. Список цветных схем приведён в меню слева. Пояснения к соединениям и цепям, цветам разъёмов на схемах (обозначены цифрой и буквой) находятся тут. Перечень приборов, (обозначенных на схемах цифрами) находится тут Все схемы кликабельны и развёртываются в новой вкладке.
КАК ЧИТАТЬ ЭЛЕКТРИЧЕСКУЮ СХЕМУ
Как читать принципиальную схему (пример схемы):

| 4 | Цвет разъема |
| 5 | Схема разъема |
| 6 | Схема подсоединения |
| 7 | Цвет разъема |
| 8 | Номер платы, к которой подключен прибор |
| 9 | Номер прибора |
| 10 | Номинальный ток предохранителя |
| 11 | Расположение предохранителя на плате |
| 12 | Цвет держателя |
| 13 | Номер соединения |
| 14 | Номер места сращивания проводов |
| 15 | Номер соединения с «массой» |
| 16 | Вспомогательный элемент |
| 17 | Номер главы |
| 18 | Номер листа |
| 19 | Схема подсоединения |
| 20 | Код цепи (позволяет определить назначение провода), см. перечень цепей |
Схема управления электроприводами замков дверей (замки с функцией «центральный замок» и ДУ)


Схема включения генератора, гидроусилителя рулевого управления

Схема включения генератора, стартера, АКБ (двигатель К7М710)

Схема включения генератора, стартера (двигатель К7М710)

Цепь заряда АКБ (двигатель К4М690)

Цепь запуска двигателя (двигатель К4М690)

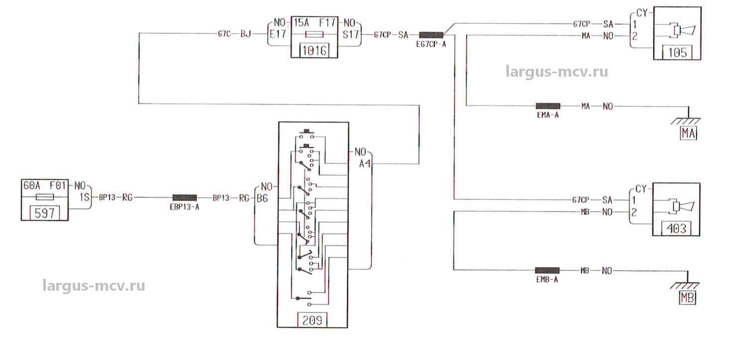
Цепь включения звукового сигнала

Блок предохранителей в салоне

АКБ, блок предохранителей и реле в моторном отсеке

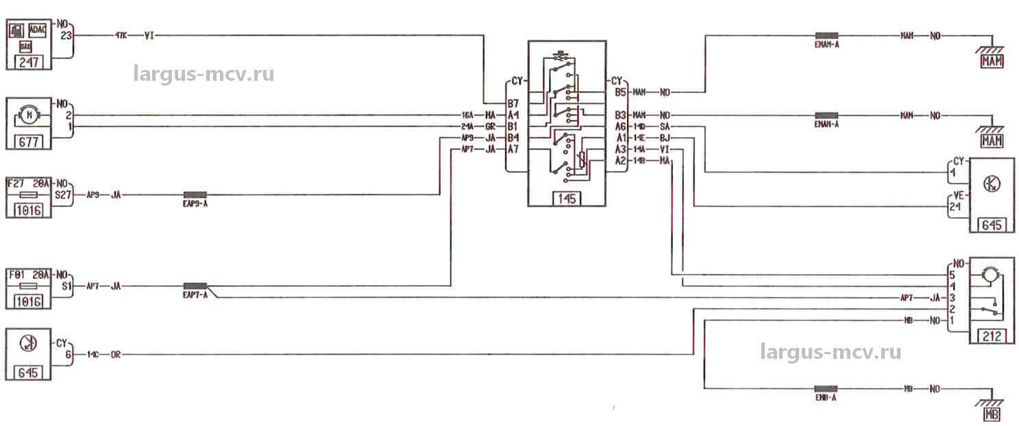
АКБ, блок предохранителей и реле в моторном отсеке (реле впрыска) (двигатели К4М690, К7М710)

АБС, датчики скорости колес

АБС, лампы стоп-сигналов

Датчик скорости автомобиля (передняя боковая подушка безопасности, двигатель К4М690)

Датчик скорости автомобиля (подушка безопасности водителя, двигатель К7М710)

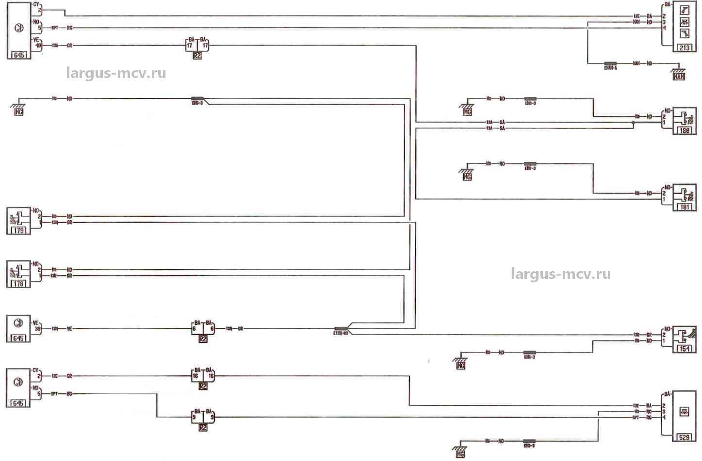
Система кондиционирования и система охлаждения двигателя (климатическая установка, двигатель К4М690)

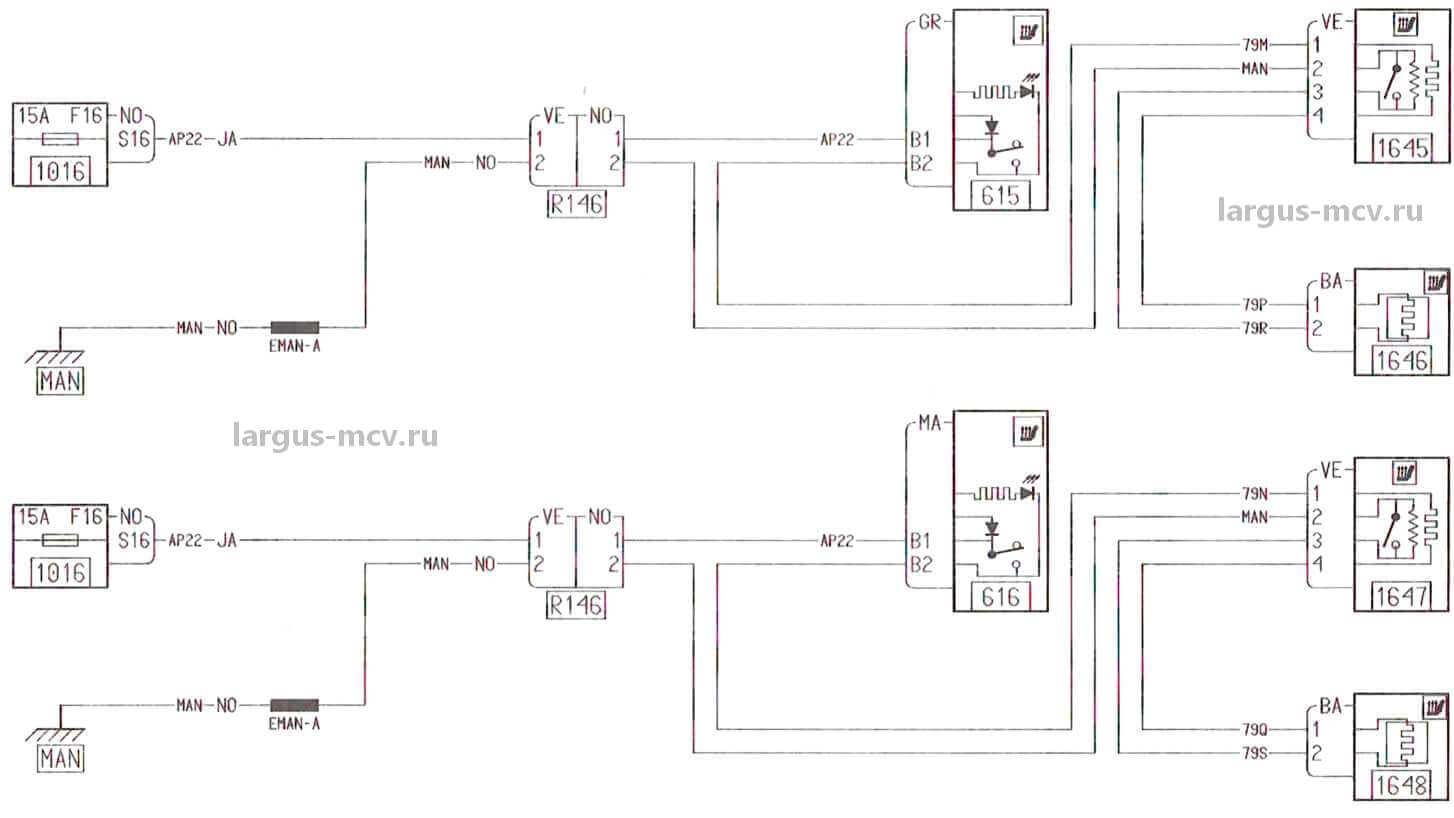
Система кондиционирования воздуха и система охлаждения двигателя (климатическая установка, двигатель К7М710)

Указатели поворотов и аварийной сигнализации

Электрообогрев заднего стекла

ЭЛЕКТРОСТЕКЛОПОДЪЕМНИКИ ЗАДНИХ ДВЕРЕЙ

ЭЛЕКТРОСТЕКЛОПОДЪЕМНИКИ ПЕРЕДНИХ ДВЕРЕЙ

НАРУЖНЫЕ ЗЕРКАЛА ЗАДНЕГО ВИДА С ЭЛЕКТРОПРИВОДОМ И ОБОГРЕВОМ

СТЕКЛООЧИСТИТЕЛИ ПЕРЕДНЕГО И ЗАДНЕГО СТЕКЛА, СТЕКЛООМЫВАТЕЛИ (с очистителем заднего стекла)

СТЕКЛООЧИСТИТЕЛЬ ПЕРЕДНЕГО СТЕКЛА И СТЕКЛООМЫВАТЕЛЬ (без очистителя заднего стекла)


ПЛАФОН ОСВЕЩЕНИЯ БАГАЖНИКА (семейство F90, замки дверей с функцией «центральный замок» и ДУ)

ПЛАФОН ОСВЕЩЕНИЯ БАГАЖНИКА (семейство К90, замки дверей с функцией «центральный замок» и ДУ)

ПЛАФОН ОСВЕЩЕНИЯ САЛОНА (семейство К90, семь мест, замки дверей с функцией «центральный замок» и ДУ)

ПЛАФОН ОСВЕЩЕНИЯ САЛОНА (семейство К90, пять мест, замки дверей с функцией «центральный замок» и ДУ)

ПЛАФОН ОСВЕЩЕНИЯ САЛОНА (семейство F90, замки дверей с функцией «центральный замок» и ДУ)

ПРАВЫЙ ЗАДНИЙ ФОНАРЬ, ВЫКЛЮЧАТЕЛЬ СВЕТА ЗАДНЕГО ХОДА

ВЫКЛЮЧАТЕЛЬ СИГНАЛЬНОЙ ЛАМПЫ СТОЯНОЧНОГО ТОРМОЗА

ОСВЕЩЕНИЕ ВЕЩЕВОГО ЯЩИКА

ГАБАРИТНЫЕ ОГНИ (с подсветкой вещевого ящика)

ЗАДНИЕ ПРОТИВОТУМАННЫЕ ФОНАРИ


ЭЛЕКТРОВЕНТИЛЯТОР СИСТЕМЫ ОХЛАЖДЕНИЯ ДВИГАТЕЛЯ (обычная система отопления, двигатель К4М)

АУДИОСИСТЕМА С ЧЕТЫРЬМЯ ГРОМКОГОВОРИТЕЛЯМИ

АУДИОСИСТЕМА С ДВУМЯ ГРОМКОГОВОРИТЕЛЯМИ

АУДИОСИСТЕМА БЕЗ ГРОМКОГОВОРИТЕЛЕЙ

ДАТЧИК ДАВЛЕНИЯ МАСЛА

Датчик уровня тормозной жидкости

БЛИЖНИЙ СВЕТ ФАР

ДАЛЬНИЙ СВЕТ ФАР

СИСТЕМА НАДУВНЫХ ПОДУШЕК БЕЗОПАСНОСТИ ДВУХ-КАНАЛЬНАЯ (подушка безопасности водителя, подушка безопасности пассажира)

СИСТЕМА НАДУВНЫХ ПОДУШЕК БЕЗОПАСНОСТИ ОДНО-КАНАЛЬНАЯ (подушка безопасности водителя)

СИСТЕМА НАДУВНЫХ ПОДУШЕК БЕЗОПАСНОСТИ (СНПБ) С БОКОВЫМИ ПОДУШКАМИ БЕЗОПАСНОСТИ И ПРЕДНАТЯЖИТЕЛЯМИ РЕМНЕЙ БЕЗОПАСНОСТИ

СИСТЕМА НАДУВНЫХ ПОДУШЕК БЕЗОПАСНОСТИ (СНПБ) С БОКОВЫМИ ПОДУШКАМИ БЕЗОПАСНОСТИ

ДАТЧИК УРОВНЯ ТОПЛИВА И ТОПЛИВНЫЙ НАСОС

ДАТЧИК УРОВНЯ ТОПЛИВА И ТОПЛИВНЫЙ НАСОС (модуль электробензонасоса)

КОМБИНАЦИЯ ПРИБОРОВ (маршрутный компьютер)

КОМБИНАЦИЯ ПРИБОРОВ (антиблокировочная система)

КОМБИНАЦИЯ ПРИБОРОВ (без антиблокировочной системы, без системы навигации)

КОМБИНАЦИЯ ПРИБОРОВ (маршрутный компьютер, антиблокировочная система)

ЦЕНТРАЛЬНЫЙ КОММУТАЦИОННЫЙ БЛОК В САЛОНЕ (ЦЭКБС)

Приемное кольцо (катушка связи) системы электронной противоугонной блокировки запуска двигателя


ЭСУД Автомобиля с двигателем К4М (рулевое управление с усилителем)

ЭСУД автомобиля с двигателем К7М (рулевое управление с усилителем)
Автомобильные сигнализации
Автомобильные сигнализации.
Справочник для тех, кто хочет самостоятельно выбрать, произвести установку, настройку, необходимый ремонт сигнализации своей машины. Справочник будет полезен как для практикующих установщиков и ремонтников, так и для широкого круга автомобилистов. В нем подробно рассматриваются характеристики автосигнализаций, программирование брелков, системы, общие параметры установки, специальные функции, отличающие одну систему от другой. Причем рассмотрены базовые модели, на которых построен модельный ряд, состоящий из нескольких подтипов, которые могут незначительно отличаться комплектацией, дополнительными опциями.
Система зажигания в Ларгусе
Теперь «эстафета включения» передается катушке зажигания. Этот элемент направляет питание с высоким напряжением к свечам зажигания и делает это по определенному алгоритму. Свечи необходимы для образования искры внутри камер сгорания, что приводит к воспламенению смеси. Чтобы процесс горения стал возможен и происходил с достаточной эффективностью, катушка генерирует напряжение, достигающее в своем значении 30000 В. Питается катушка от штатной 12-вольтовой сети.
Схемы соединения с «массой»
На схемах соединения с «массой» показаны точки соединения с «массой» с указанием их местоположения на автомобиле Lada Largus.
Проблема выбора нужного устройства
Прежде чем приступать к собственно монтажу новой сигнализации, её нужно сначала выбрать. Сегодня это несколько проблематично, поскольку имеющийся ассортимент товаров просто «бьёт все рекорды». Если учитывать то обстоятельство, что вся продукция создавалась с целью защиты автомобиля, то для повышения конкурентоспособности на соответствующем рынке она будет отличаться своим охранным уровнем, фирмой-производителем и ценой за комплект.
Когда невооружённым глазом заметен разброс цен, то владельцу Лады Ларгус стоит задуматься, насколько она дорога и какая степень защиты будет наиболее приемлемой. Ведь существует не только сама сигнализации, но и целые противоугонные комплексы, в которые она и входит. Кроме того, определённые виды устройств не всегда подходят для Лады Ларгус, в особенности те, которые можно установить своими руками.
Как правило, все противоугонные системы оснащены стандартным набором устройств, в которые входит сама сигнализация, иммобилайзер и электронный замок капота.
Новая Лада: LADA Largus универсал CNG от 897 900 руб. – Цены и комплектации – Лада-Центр Юго-Запад: дилер LADA в г. Санкт-Петербург
Как установить сигнализацию на Ларгус своими руками
Безусловно, вопросы безопасности транспортных средств волнуют сегодня каждого первого автовладельца. К сожалению, они всегда подвергаются определённым рискам независимо от местоположения, марки или стоимости. Существенно повысить уровень безопасности поможет установка сигнализации на Ларгус своими руками.
Установка сигнализации значительно снижает вероятность угона вашего транспортного средства
Если идёт речь об этом представителе отечественного автопрома, то такую процедуру можно выполнить самостоятельно даже без посещения сервисного центра. Таким образом, владелец машины получает возможность сэкономить денежные средства, удовольствие от результатов собственной работы и повышает самооценку. Однако этот процесс потребует определённых знаний и тщательной подготовки.
Дверные концевики: где находятся, подключение, проверка
Изначально концевики на двери ставились для автоматического включения плафона салона. Схема подключения у них была простейшей – все соединялись параллельно, то есть было безразлично, какая дверь открыта. В бюджетных комплектациях автомобилей часто вовсе ставился только концевик водительской двери.
Видео: Проблемы с концевиками у Лады Весты, Гранта и Калина
Слабым звеном таких концевиков стала необходимость размещать их в крайне неудобном месте: нажимала на них выступающая часть металлического листа двери в нижнем углу, реже конструкторам удавалось разместить концевик выше. Из-за этого они часто выходили из строя даже несмотря на герметизирующий колпачок снаружи. Для автомобиля с сигнализацией это означало случайные срабатывания тревоги в неподходящее время или, что ничуть не лучше, возможность открытия двери без срабатывания сигнализации.
Автосигнализации от А до Z
Автосигнализации от А до Z
– Данный справочник посвящен электронным противоугонным системам, а также автомобильным сигнализациям. Он содержит максимально полное описание, включая электрические схемы и схемы по монтажу практически всех автомобильных сигнализаций, охранных систем и сервисных элементов к ним. Рассмотрены сигнализации, иммобилайзеры, автопейджеры и другие сервисные комплектующие, выпускаемые под торговыми марками Alligator, Avital, Benxon, Black Bug, Clifford, Cobra, Crime Guard, DEL, F.B.I., Omega, Prestige и многие другие. Приведены схемы подключения и рекомендации по установке. Разработан наглядный иллюстрационный материал.
Жгут проводов задний — снятие / установка
Снятие
1. Установить автомобиль на двухстоечный подъемник ( подъемник электрогидравлический типа П-3,2 Г грузоподъемностью 3,2 т).
2. Затормозить стояночным тормозом, выключить зажигание, поднять капот, отсоединить клемму провода «массы» от аккумуляторной батареи (ключ гаечный 10 мм).
3. Отсоединить две колодки 1 и 2 жгута проводов заднего от колодок жгута проводов панели приборов, расположенные под панелью приборов слева от водителя.
Колодки жгута проводов заднего:
- колодки жгута проводов заднего к колодкам жгута проводов панели приборов;
- колодки жгута проводов заднего к колодкам жгута проводов панели приборов.
4. Отсоединить колодку жгута проводов заднего от концевого выключателя плафона освещения салона водительской двери (внизу на левой средней стойке).
5. Отсоединить колодку жгута проводов заднего от концевого выключателя плафона освещения салона передней двери пассажира (внизу на правой средней стойке).
6. Снять обивки задних дверей.
7. Отсоединить колодку 3 жгута проводов заднего от громкоговорителя левого заднего.
Дверь левая задняя:
- замок левый задний;
- дверь левая задняя;
- колодка жгута проводов заднего к громкоговорителю левому заднему.
8. Отсоединить колодку жгута проводов заднего от замка 1 левой задней двери 2.
9. Аналогично отсоединить колодки жгута проводов заднего от громкоговорителя правого заднего и от замка правого заднего.
10. Отвернуть обивку пола кузова автомобиля с левой и правой сторон.
11. Снять заднее сиденье и обивку пола заднюю автомобиля.
12. Снять крышку люка топливного бака.
13. Отсоединить колодку 1 жгута проводов заднего от электробензонасоса.
Бак топливный:
- колодка жгута проводов заднего к электробензонасосу;
- электробензонасос.
14. Разъединить трубки омывателя стекла левой погрузочной двери.
15. Отвернуть гайку и отсоединить клемму 3 провода «массы» фонаря заднего левого (головка сменная 10, вороток).
Жгут проводов
- жгут проводов задний;
- трубка омывателя стекла левой погрузочной двери;
- клемма провода «массы» фонаря заднего левого;
- колодка жгута проводов заднего к колодке жгута проводов левой погрузочной двери;
- колодка жгута проводов заднего к плафону освещения багажника.
16. Отсоединить колодку 4 жгута проводов заднего от колодки жгута проводов левой погрузочной двери.
17. Отсоединить колодку 5 жгута проводов заднего от плафона освещения багажника.
18. Отвернуть гайку и отсоединить клемму провода «массы» фонаря заднего правого (головка сменная 10, вороток).
19. Отсоединить колодку 3 жгута проводов заднего от концевого выключателя 2 левой погрузочной двери.
Выключатель левой погрузочной двери:
- кузов автомобиля;
- концевой выключатель левой погрузочной двери;
- колодка жгута проводов заднего.
20. Отсоединить два фиксатора 1 (отвертка плоская).
Отсоединение жгута проводов от датчика скорости заднего:
- фиксатор;
- гайка крепления;
- жгут проводов датчика скорости заднего;
- кожух защитный жгута проводов датчика скорости заднего.
21. Отвернуть две гайки 2 крепления кожуха защитного жгута проводов датчика скорости заднего от кузова автомобиля (головка сменная 13, вороток, удлинитель).
22. Отсоединить колодку 1 жгута проводов заднего от колодки 2 жгута проводов датчика скорости заднего левого.
Датчик скорости задний левый:
- колодка жгута проводов заднего;
- колодка жгута проводов датчика скорости заднего левого.
23. Аналогично отсоединить колодку жгута проводов заднего от датчика скорости заднего правого.
24. Снять жгут проводов задний.
Установка
Установку жгута проводов заднего выполнять в порядке обратном снятию.
При этом момент затяжки гаек крепления клемм проводов «массы» жгута проводов заднего 8 Н·м (0,8 кгс·м) (головка сменная 10, вороток, ключ динамометрический).
Для этого надо найти интересующую Вас книгу и нажать на кнопку «Купить». Цена книги указана на кнопке.
Для жителей Украины в гривнах, а для всех остальных стран — доллары.
После нажатия на кнопку «КУПИТЬ» Вам откроется окно оплат, где можно выбрать платежную систему, с помощью которой можно оплатить выбранную книгу с помощью любой банковской карты (Visa, MasterCard, МИР и т.д.)
При нажатии на кнопку «Оплатить банковской картой» откроется платежная система Portmone с помощью которой проще всего совершить оплату.
- Яндекс (оплата с любых банковских карт, аккаунта Яндекс Деньги, QIWI Wallet, терминалы и т.д.);
- Portmone (оплата с любых банковских карт, аккаунта Portmone);
- PayPal (оплата с любых банковских карт, аккаунта PayPal);
- WebMoney (оплата с любых банковских карт, оплата с кошельков WebMoney).
Технические характеристики мотора
На Ладу Ларгус устанавливался двигатель производства Рено с маркировкой К4М и К7М. Этот мотор применялся на Рено Логан и других моделях французского производства. Повышенные экологические нормы позволили продавать транспортные средства в ближнее зарубежье.
Рассмотрим, основные технические характеристики мотора:
К7М
| Наименование | Показатель |
| Производитель | Рено |
| Объем | 1,6 литр (1598 см куб) |
| Количество цилиндров | 4 |
| Количество клапанов | 8 |
| Топливо | Бензин |
| Система впрыска | Инжектор |
| Мощность | 84 л.с. |
| Расход топлива | 9,3 л/100 км |
| Диаметр цилиндра | 79,5 мм |
| Эконорма | Евро-4 |
К4М
| Наименование | Показатель |
| Производитель | Рено |
| Объем | 1,6 литр (1598 см куб) |
| Количество цилиндров | 4 |
| Количество клапанов | 16 |
| Топливо | Бензин |
| Система впрыска | Инжектор |
| Мощность | 102 л.с. |
| Расход топлива | 7,9 л/100 км |
| Диаметр цилиндра | 79,5 мм |
| Эконорма | Евро-4 |
Советы по выбору сигнализацию для лады лагрус
Выбирая сигнализацию, следует ориентироваться на место стоянки автомобиля, ведь оно может находиться под окнами его владельца, а может — за несколько километров в гараже. В этом случае важен радиус действия и тип связи — односторонний или двухсторонний.
Учитывайте место стоянки автомобиля
С позиции надёжности лучше выбирать устройство с большим количеством датчиков. В случае наличия у Лады Ларгус дорогих дисков будет особенно актуален датчик наклона.
Выбирая сигнализацию с обратной связью нужно ориентироваться на собственное желание и её ценовую категорию. Особенно если устройство будет стоить, как половина автомобиля, чем, безусловно, можно удивить только воров.
Все инструкции и описания функционирования отдельных узлов нельзя выбрасывать, поскольку они будут нужны в случае перепрограммирования или ремонта сигнализации.
Стоит позаботиться о наличии запасных брелоков
Что же касается брелока, то батарейки в нём нужно менять вовремя. В случае если он потеряется или машиной нужно воспользоваться кому-то другому, то неплохо иметь несколько запасных вариантов.
Скачивание книги
После успешного прохождения платежа (любым способом) и возврата в магазин KrutilVertel с сайта платежной системы Вы попадаете на страницу успешной оплаты:
Купленная Вами книга будет находиться в Вашем личном кабинете, откуда ее всегда можно будет скачать.
Обратите внимание, что после совершения оплаты, Вам необходимо вернуться обратно с сайта платежной системы на сайт KrutilVertel. В случае, если по каким либо причинам Вы не вернулись обратно на сайт и закрыли вкладку платежной системы с сообщением про успешное прохождение платежа, сообщите нам об этом — мы вышлем Вам письмо в котором будет указан доступ для скачивания книги
В случае, если по каким либо причинам Вы не вернулись обратно на сайт и закрыли вкладку платежной системы с сообщением про успешное прохождение платежа, сообщите нам об этом — мы вышлем Вам письмо в котором будет указан доступ для скачивания книги.
Руководство по ремонту Лада ларгус — Lada Largus
Руководство по ремонту и эксплуатации автомобиля Лада ларгус — Lada Largus.
Имя:
Руководство по ремонту и эксплуатации автомобиля Лада ларгус — Lada Largus.Издательство: Третий римГод выпуска: 2012Язык: РусскийФормат файла: pdfРазмер: 636,47 мб.
Скачать:
Доступ только зарегистрированным.
Описание:
Красивый иллюстрированный мануалруководство по ремонту Лады Ларгус , также руководство по техническому обслуживанию и эксплуатации Lada Largus, устройство Лада Ларгус с кузовом: универсал и фургон выпускаемого с 2012 года, установленными бензиновыми двигателями К4М 16 кл -1,6 л. и К7М 8кл — 1,6 л.
Руководство поможет всем обладателям автомобилей поддерживать машину в хорошем рабочем состоянии, с экономить на техническом обслуживании и ремонте, деньги и свое время, а работникам СТО и автосервисов это цветное иллюстрированное издание поможет в выполнении своей качественной работы.
В руководство по ремонту ВАЗ Лады Ларгус
входят более 3000 цветных фото снимков, четко отображая весь процесс диагностики и ремонта всех систем и агрегатов Lada Largus, а также ремонт ДВС Лада Ларгус, все тех. характеристики Лады Ларгус, самые распространенные неполадок и методы по их устранению от ведущих профессионалов, в пошаговом режиме.
Пособие предназначено, не только для профессиональных автосервисов с дорогим оборудование а рассчитано на простых смертных занимающихся ремонтом и техническим обслуживанием своего автомобиля ВАЗ Лада Ларгус в гаражах оборудованные под мастерские имеющие не большие навыки в этом и простой, общедоступный инструмент для этого, который можно приобрести в любом авто магазине или рынке.
Ремонт всех компонентов, многочисленных узлов и конкретных деталей ВАЗ Лады Ларгус в каждом разделе руководства по ремонту Лады Ларгус
сформированы в удобной пошаговой инструкции от простого к наиболее сложному: от элементарно простейших, но полезных начинающим, действий по самостоятельному плановому обслуживанию, необходимым регулировкам и настройкам систем и механизмов VAZ Лада Ларгус, монтажа демонтажа деталей подлежащих замене, до долговременного и тщательного ремонта вышедших из строя агрегатов, с которыми без определенных навыков и дополнительных технических знаний просто не обойтись.
В руководстве по ремонту ВАЗ Lada Largus
имеются следующие разделы: — Устройство VAZ Лады Ларгус – общий обзор сведений о модели а так же паспортные данные Lada Largus ВАЗ, приборы и панели управления автомобилем. — Предписания по эксплуатации Лада Ларгус ВАЗ – подготовка автомобиля перед выезду, пожелания для безопасности движения — Неисправности с автомобилем в дороге – методы выхода из той или иной ситуации. — Тех. обслуживание VAZ Lada Largus – полное руководство в пошаговом иллюстрированом формате. — Данные для ремонта автомобиля Лады Ларгус ВАЗ компонентов таких как, двигатель, рулевое управление, ходовая часть, тормозная система, трансмиссия – указанны все важные настройки этих систем, малый и большой ремонта машины, разборка и сборка всех важных узлов и каждого по раздельности агрегатов ВАЗ Лады Ларгус и много информации полезной для пользователя. — Кузов Лады Ларгус ВАЗ — характерные и конструктивные особенности, обоих вариантов кузовов и замена в этих кузовах, вышедших из строя элементов. — Электрооборудование Лады Ларгус ВАЗ – нахождение и удаление неисправностей в основных цепях и блоках — Электрическая схема-техника Лады Ларгус ВАЗ – упрощение автолюбителю поиск неисправностей в электрооборудовании.
В разделы мануала руководство по ремонту Лады Ларгус ВАЗ
вошли все нужные данные без который ни как не обойтись авто владельцу VAZ Lada Largus, с цветными иллюстрациями подробно описывающий весь процесс ремонта и обслуживания автомобиля в гаражных условиях в пошаговом режиме от простого к сложному.
Проблемы при оплате банковскими картами
Иногда при оплате банковскими картами Visa / MasterCard могут возникать трудности. Самые распространенные из них:
- На карте стоит ограничение на оплату покупок в интернет
- Пластиковая карта не предназначена для совершения платежей в интернет.
- Пластиковая карта не активирована для совершения платежей в интернет.
- Недостаточно средств на пластиковой карте.
Для того что бы решить эти проблемы необходимо позвонить или написать в техническую поддержку банка в котором Вы обслуживаетесь. Специалисты банка помогут их решить и совершить оплату.
Вот, в принципе, и все. Весь процесс оплаты книги в формате PDF по ремонту автомобиля на нашем сайте занимает 1-2 минуты.
Лада Ларгус электросхема
Сегодня вряд ли можно отыскать такой двигатель, который был бы способен функционировать без электричества. Для подачи электрического питания к компонентам бортовой сети применяются аккумулятор и генератор. Даже в подвеске современного авто присутствуют потребители напряжения (к примеру, датчики «ABS»), не говоря уже о светотехнике, моторе, трансмиссии и салонном оборудовании.
И все это в себе содержит схема электрооборудования.
Электрооборудование в автомобиле Ларгус
Электросхема в автомобиле предусматривает присутствие двух глобальных категорий приборов: потребителей питающего напряжения и устройств, вырабатывающих ток.
Эти узлы связаны посредством кабельных линий, состоящих в единой бортовой сети. По такому принципу функционирует сеть в LADA Largus.
Кстати, в этом автомобиле отсутствуют минусовые провода (кромке АКБ), а роль отрицательного контакта выполняет сам кузов.
АКБ, генератор в Ларгусе
Эти устройства, как уже обозначалось, фигурируют в качестве источников питания сети. В Лада Ларгус весь комплекс электрооборудования функционирует на напряжении, равном стандартные 12 Вольт. Каждый из токоприемников посредством кабельных линий коммутирован с аккумулятором.
Это необходимо для продолжения работы автомобиля при выходе из строя генераторной установки. Первый пуск мотора возможен именно благодаря присутствию батареи. Для универсальной LADA Largus производитель применяет свинцовые АКБ, являющиеся необслуживаемыми устройствами. Они не подразумевают последующие доливки электролитической жидкости.
Если АКБ настигла полная разрядка, а подзарядить не представляется возможным, то такое изделие безоговорочно меняют.
Генератор LADA Largus обретает жизнь благодаря ременной передаче, установленной на шкивах мотора и рассматриваемого здесь узла. Выработка электричества осуществляется только в движении. В это же время происходит подзарядка батареи.
Стартер в отечественном автомобиле
Это незаменимый узел для пуска силовой установки. Питание осуществляется напрямую от АКБ.
С переводом ключа в замке зажигания в соответствующую пуску позицию происходит срабатывание втягивающего реле в стартерном узле, вал начинает вращаться и посредством шестерни приводит в движение маховик мотора. После выполненных операций по запуску силового агрегата происходит самостоятельное отключение стартера.
Справочник по современным автосигнализациям. (Том 1, Том 2)
Справочник по современным автосигнализациям. Впервые в СНГ появляется многотомный справочник по установке современных автосигнализаций. Динамика развития автомобильных охранных систем очень интенсивна, постоянно появляются новые схемные решения. Поэтому представленные на рынке модели обновляются уже через год-два. А установщикам постоянно нужно быть в курсе новинок рынка автомобильных охранных систем. Эту потребность учитывают создатели данного многотомного справочника, который посвящен рассмотрению установки самых современных моделей, выпускаемых и устанавливаемых в этом году. Упор сделан именно на установку и схемотехнику.
Lada Largus. Устройство, обслуживание, ремонт
книга по ремонту бесплатно
Автомануал по ремонту ВАЗ Lada Largus в электронном виде. Руководство будет всегда под рукой во время обслуживания и ремонта автомобиля, для этого его достаточно бесплатно скачать на планшет или телефон в формате pdf.
Перед использованием автомануала проверьте соответствие года выпуска и двигателя автомобиля.
Язык: русский
Формат: pdf
Размер: 44.8 Mb
Файл скачан 1123 раз(а)
Подробнее о том, как скачать книгу по ремонту ВАЗ Lada Largus бесплатно.
Да, вы можете бесплатно скачать книгу Lada Largus. Устройство, обслуживание, ремонт. Для этого не требуется никаких дополнительных действий, кроме непосредственной загрузки файла.




























































